Chung cư D2CT2 Tây Nam Linh Đàm
Email : sotaychungcu@gmail.com
Hotline : 0964633626
Chi tiết dự án
Nhận ký gửi Bán & cho thuê Chung cư D2-CT2 Tây Nam Linh Đàm
Hotline: 0914.788.345
**********

• Tên dự án: Chung cư D2CT2 Tây Nam Hồ Linh Đàm
• Địa điểm: Khu đô thị Tây Nam Hồ Linh Đàm, P. Hoàng Liệt, Q. Hoàng Mai, TP Hà Nội
• Chủ đầu tư: Công Ty Cổ Phần Và Xây Dựng HUD6.
• Diện tích sàn: 825m2.
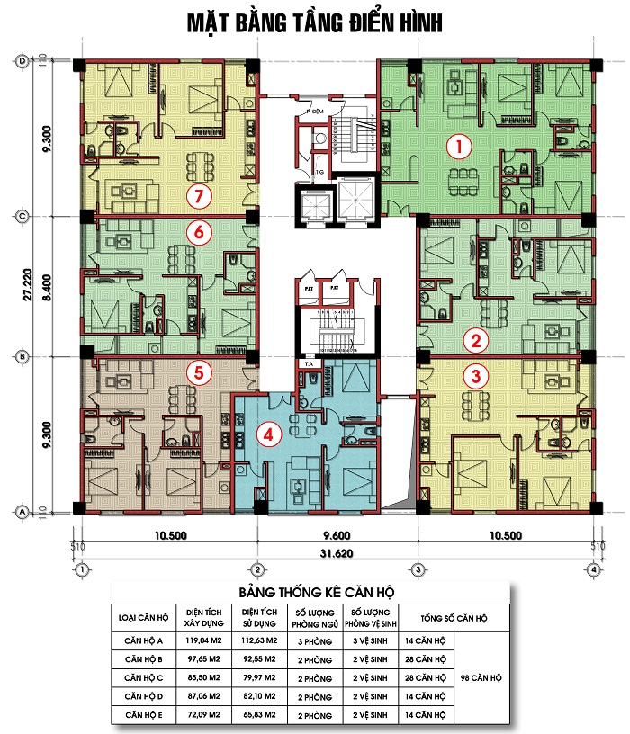
• Quy mô: 15 tầng nổi và 01 tầng hầm.
• Tổng số căn hộ: 98 căn (7 căn/1 sàn).
• Diện tích căn hộ: 65m2, 79m2 ,82m2, 92m2 và 112m2.
• Hình thức sở hữu: Sổ hồng vĩnh viễn

• Vị trí dự án Tây Nam Hồ Linh Đàm trong đó có tòa nhà D2CT2 được hưởng nhiều tiện tích từ khu đô thị kiểu mẫu Linh Đàm đã được xây dựng hoàn chỉnh đồng bộ, trong đó có hạ tầng, giao thông, thông tin liên lạc và các dịch vụ thương mại, giải trí.
- Phía Bắc: Giáp khu đô thị Linh Đàm mở rộng (khu nhà ở Bắc Linh Đàm đã có dân cư sinh sống ổn định)
- Phía Đông: Giáp tòa D1 – CT2 do HUD8 làm chủ đầu tư
- Phía Tây: Nhìn sang công viên cây xanh, khu vui chơi giải trí
- Phía Nam: Hướng về trung tâm dự án Tây Nam Linh Đàm.

• Từ tòa nhà D2CT2, cư dân chỉ mất 3 phút để ra đường cao tốc trên cao vành đai 3, 5 phút để ra trục Giải Phóng – Văn Điển, 10 phút để ra Quốc lộ 70, 15 phút để sang Quốc Lộ 5. Xung quanh trong vòng bán kính 1,5km có bến xe Giáp Bát, Nước Ngầm.

• Hạ tầng đồng bộ của 2 dự án lân cận là Khu Bắc Linh Đàm mở rộng và Đô thị lõi bán đảo Linh Đàm đã hoàn chỉnh là một lợi thế của cư dân CT3 Tây Nam Linh Đàm sau khi chuyển về sinh sống.

• Với phương châm đem đến cho khách hàng một cuộc sống thoải mái và tiện nghi, các nhà làm Dự án D2CT2 Linh Đàm không những chú trọng đặc biệt đến thiết kế các căn hộ cho phù hợp với phong thủy mà còn đem đến cho các khách hàng của mình một cuộc sống đầy đủ ngay chính tại nơi đây mà không phải đi bất cứ đâu như: mua sắm, giải trí, chăm sóc sức khỏe, làm đẹp, tập luyện thể thao... Các tiện ích ngay tại dự án giúp bạn tiết kiệm nhiều thời gian, công sức và tiền bạc sẽ nâng tầm cuộc sống cho bạn.

• Toàn bộ căn hộ tại Chung cư D2-CT2 Tây Nam Linh Đàm được thiết kế với thiết kế ưu việt để đáp ứng toàn bộ nhu cầu nghỉ ngơi tươi mát của khách hàng, đảm báo đưa đến 100% lượng không khí tươi ráo vào trong từng căn hộ của bạn. Đặc biệt hơn nữa là cách bố trí hệ thống bế sát với lô gia để tạo ra sự thông thoáng cho bếp và căn hộ của gia chủ.

• Khác biệt với những khu căn hộ khác, Chung cư D2-CT2 Linh Đàm mang đậm một màu sắc tươi xanh hoàn toàn mới mẻ từ một rừng tiện ích ngay tại nội khu dưới chân tòa nhà như khu bể bơi ngoài trời, sảnh cafe, khu vườn thư giãn dành cho người lớn tuổi, khu vui chơi cầu trượt dành cho trẻ nhỏ, trường học ...

• Tại Chung cư D2CT2 Tây Nam Linh Đàm, cư dân sẽ được hưởng một cuộc sống tiện nghi và thuận tiện với hệ thống an toàn, hệ thống thang máy chở người và hàng hóa riêng biệt nhằm đảm bảo lưu lượng di chuyển của cư dân vào giờ cao điểm, hệ thống an ninh đồng bộ, camera giám sát 24/24, máy phát điện dự phòng khởi động sau 15 giây khi xảy ra sự cố, tầng hầm để xe rộng rãi đáp ứng nhu cầu đi lại của cho cư dân

• Với những thiết kế hiện đại, áp dụng các tiêu chuẩn kiểu mẫu cho những căn hộ tại Chung cư D2-CT2 Tây Nam Linh Đàm người mua nhà có thể hoàn toàn yên tâm về không gian sống, việc vận dụng các yếu tố phong thuỷ vào trong từng thiết kế với chủ đạo các căn hộ đều lấy cảm hừng “Chạm tay vào Nắng và Gió” kết hợp tinh tế với thiên nhiên, mang thiên nhiên vào từng căn hộ nhưng vẫn giữ được sự sang trọng và đẳng cấp.
• Với phương châm kiến tạo nên một “không gian sống lý tưởng” cho mỗi cư dân, Chủ đầu tư D2-CT2 Tây Nam Linh Đàm đã lựa chọn nhà thầu xây dựng là nhà thầu uy tín nhất trên thị trường bất động sản hiện nay để thi công dự án, đồng thời cùng với nhà thầu tư vấn giám sát rất khắt khe trong công tác giám sát, kiểm định chất lượng thi công dự án. Do đó, khi trực tiếp tham quan dự án, khách hàng có thể cảm nhận được sự chỉnh chu trong từng đường phào chỉ, điện, nước hay chất lượng bê tông, sơn bả,…

• Được tư vấn thiết kế bởi những kĩ sư vàng của Việt Nam căn hộ tại D2-CT2 Tây Nam Linh Đàm mang đến vẻ đẹp sang trọng, phong cách thượng lưu cho chủ nhân ngôi nhà. Mỗi căn hộ được thiết kế để có thể lấy được hầu hết ánh sáng và gió trời vào trong căn hộ mang đến cảm giác thư giãn và thoải mái sau những giờ phút làm việc căng thẳng và mệt mỏi. Bên cạnh đó, phong cách trang trí, nội thất tại đây cũng là điểm cộng không thể bỏ qua khi lựa chọn nơi đây là nơi xây dựng tổ ấm của mình.







• Dự án D2-CT2 Tây Nam Linh Đàm đã được tính toán chi tiết đến tải trọng động, gió và động đất theo tiêu chuẩn chung cư cao cấp. Đặc biệt trong phong cách thiết kế và cấp độ đầu tư hoàn thiện góp phần mang đến một tinh thần sáng tạo, thân thiện, lịch lãm là thông điệp mà chủ đầu tư và các đối tác chiến lược gửi tới quý khách hàng.
LIÊN HỆ TƯ VẤN VÀ ĐẶT LỊCH XEM DỰ ÁN
HOTLINE: 0914.788.345
************
TIN TỨC MỚI CẬP NHẬT
DỰ ÁN NỔI BẬT
Dự án cùng khu vực
Chat Zalo